应用说明

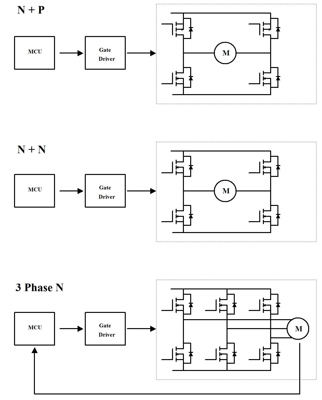
无刷直流风扇是一种没有机械换向器和电刷的直流电动机,它采用电子换向装置,从而克服了一般直流电机存在的有换向火花、可靠性差、噪声大、对无线电干扰等弱点,同时具有调速范围宽、体积小、启动迅速、运行可靠、效率高、寿命长等优点。目前广泛应用于小家电风扇行业,一般功率小于100W。拓扑结构有P+N,N+N,3 Phase。

线路图

推荐产品

N+N/N+P:VDS 18V~60V